LillyAllenDesigns
Jasminsmagicworld
BarkalooDesign
Artiststas
AdoDesignShop
JahusDesignShop
BundleAndBundleShop
HRA Design Shop
FaDigitalArtStudio
Enoddigitalart@gmail.com
Afrowomandigitalshop@gmail.com
OliviaCreatesArt
CowGirlArtShop
HowdyJamesFarm
TumblerDesignByShophia
RanaPortraitStore
CTS Tumbler Store
Zillion Design Studio
NancyCooperArtShop
Texasbilliewilder
MaliasSmallBusiness
Muks_Shop
Rvexell
NReaL
Oittostudio
Nteklah
Melllux
PUBLICTEES
Gear_desain
Erdiyan
C
Troy Bilt 13AN77TG766 Pony 2006 Parts Diagram for Fender and Very well made.
Troy Bilt Pony LT5 Lawn Tractor 15.5 HP 42 in Cutting Deck for Very well made.
TROYBILT Very well made.
Amazon OEM Deck Idler Arm Kit MTD Troy Bilt 208 44A GT2544 Very well made.
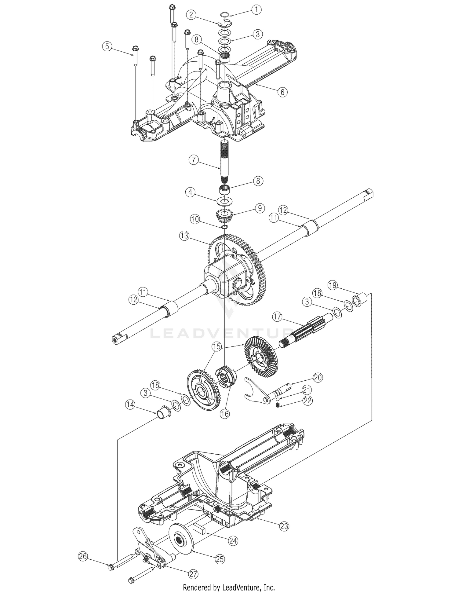
Troy Bilt 13AN77TG766 Pony 2006 Transmission Very well made.