LillyAllenDesigns
Jasminsmagicworld
BarkalooDesign
Artiststas
AdoDesignShop
JahusDesignShop
BundleAndBundleShop
HRA Design Shop
FaDigitalArtStudio
Enoddigitalart@gmail.com
Afrowomandigitalshop@gmail.com
OliviaCreatesArt
CowGirlArtShop
HowdyJamesFarm
TumblerDesignByShophia
RanaPortraitStore
CTS Tumbler Store
Zillion Design Studio
NancyCooperArtShop
Texasbilliewilder
MaliasSmallBusiness
Muks_Shop
Rvexell
NReaL
Oittostudio
Nteklah
Melllux
PUBLICTEES
Gear_desain
Erdiyan
C
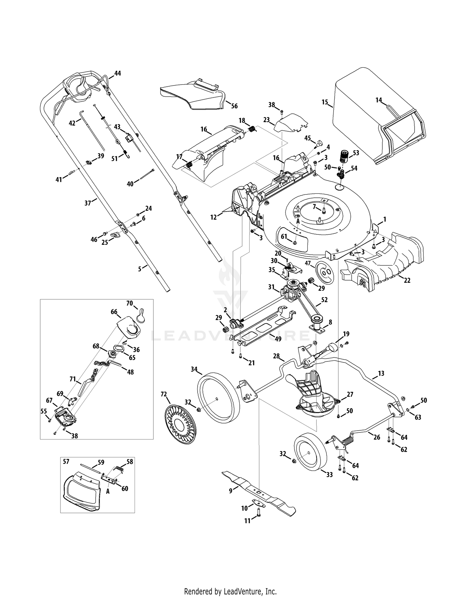
Troy Bilt Model 12AKD39B011 Lawn Mower Carburetor Carb USPS Free Shipping eBay Very well made.
Troy Bilt TB350XP 12AKD39B011 2011 12AKD39B011 2011 General Very well made.
Troy Bilt Self Propelled Lawn Mower Model 12AKD39B011 Troy Bilt US Very well made.
594287 Carburetor For Troy Bilt 12AI869F011 TB330XP 12AKC39B066 Very well made.
TROY BILT TB350XP 12AKD39B011 REAR SUPPORT BRACKET PART 787 01915 1640 Very well made.